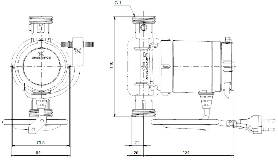
Grundfos COMFORT UP 15-14 BXA PM - AUTOADAPT 97916749
| EAN | 5710626363742 |
|---|---|
| Značka | GRUNDFOS |
| Česká republika |
Grundfos COMFORT UP 15-14 BXA PM - AUTOADAPT 97916749
| EAN | 5710626363742 |
|---|---|
| Značka | GRUNDFOS |
| Česká republika |
Čerpadla Grundfos COMFORT jsou určena pro cirkulaci teplé vody v rodinných domech a bytových jednotkách. Cirkulační čerpadla zajišťují okamžitou dodávku teplé vody pro uživatele.
Vlastnosti
Cirkulační čerpadla Grundfos Comfort PM s bezolovnatým tělesem čerpadla vhodným pro pitnou vodu, s vysokou energetickou účinností, jsou vhodná pro cirkulaci teplé vody v jedno- a vícegeneračních rodinných domech. Jsou poháněna vysokoúčinným jednofázovým, 12-pólovým motorem s trvalými magnety.
Funkce AUTOADAPT byla vyvinuta pro systémy teplé vody v domácnostech, se zásobníky teplé vody jako primárním zdrojem teplé vody. V systémech teplé vody v domácnostech s integrovanou funkcí řízení teploty pro zvyšování nebo snižování teploty v cirkulačním potrubí Grundfos doporučuje modely COMFORT BX nebo COMFORT B. K plnému získání výhod funkce AUTOADAPT Grundfos doporučuje instalovat čerpadlo v systémech se zásobníky teplé vody.
Charakteristiky a výhody
Unikátní funkce AUTOADAPT šetří až 48% tepelné energie a až 96% energie k pohonu motoru ve srovnání se standardním čerpadlem a trvalým provozem proplachovací funkceautomatické ničení legionelly (pokud je podporováno soustavou)
- automatické odlišení pracovních dnů a víkendů/dovolené
- řízení od teploty (nastavitelné tlačítkem na ovládacím panelu)
- trvalý provoz (nastavitelný tlačítkem na ovládacím panelu)
- rychlé a jednoduché připojení napájecího kabelu pomocí ALPHA konektoru
- detekce běhu nasucho
- rotor snadno přístupný pro čištění
- kapalinou mazané ložisko
- bez nebezpečí průsaku díky statickému těsnění
- korozně odolné, bezolovnaté těleso čerpadla z mosazi
- díky integrované elektronice se nevyžaduje dodatečná ochrana motoru
- snadná údržba a čištění díky snadno demontovatelné hlavě čerpadla, která se hodí na většinu těles čepadel konkurence